Bảng điều khiển đặc biệt cho bơm chìm nước thải
Bên trong bơm chìm nước thải thường được trang bị nhiều thiết bị bảo vệ động cơ. Do đó, bảng điều khiển cần được thiết kế tương thích để phát huy tối đa hiệu quả bảo vệ.
Chức năng của bảng điều khiển bơm chìm nước thải
Bảng điều khiển bơm nước thải không chỉ tích hợp công tắc phao để kiểm soát mức chất lỏng, mà còn có nhiều tính năng quan trọng:
Bảo vệ mạch điện: chống đoản mạch, quá tải, thiếu pha.
Tích hợp khởi động mềm: đối với bơm công suất trên 15kW, có thêm chức năng giảm điện áp khi khởi động, giúp bảo vệ động cơ.
Chế độ vận hành linh hoạt: có thể lựa chọn điều khiển bằng tay (liên tục) hoặc tự động (không liên tục).
Chuyển đổi bơm dự phòng: trong trường hợp bơm chính gặp sự cố, bảng điều khiển sẽ tự động ngắt và kích hoạt bơm dự phòng, đảm bảo hệ thống vận hành liên tục.
Lưu ý: Nếu sử dụng bảng điều khiển không phù hợp hoặc loại không tích hợp bảo vệ ngắn mạch, quá tải, thiếu pha, thì động cơ có nguy cơ bị cháy hỏng nếu không được kiểm tra định kỳ. Vì vậy, khách hàng nên đặt mua bảng điều khiển chuyên dụng kèm theo khi mua bơm chìm nước thải.

Tìm hiểu Kiến thức tổng quan về máy bơm chìm nước thải
Công tắc phao – thiết bị quan trọng trong hệ thống
Công tắc phao là bộ phận dùng để kiểm soát mức chất lỏng khi vận hành bơm.

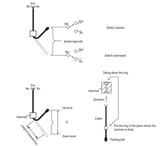
Bản vẽ nguyên lý hoạt động của công tắc phao
Nguyên lý hoạt động
Khi mực nước dâng lên: dây màu đen – nâu được kết nối, dây đen – xanh ngắt.
Khi mực nước hạ xuống: dây đen – xanh kết nối, dây đen – nâu ngắt.
Khi phao ở vị trí trung gian: công tắc ở trạng thái chờ.
Tùy theo yêu cầu, công tắc phao có thể cài đặt:
Một phao: khởi động và ngắt bơm theo hai mức chất lỏng khác nhau.
Hai phao: một phao điều khiển bơm chính, một phao điều khiển bơm dự phòng khi mực nước dâng cao.
Có ba dây màu đen, nâu và xanh bên trong cáp của công tắc phao bóng. Khi quả cầu phao lên, các dây màu đen và nâu được kết nối trong khi màu đen và xanh lam bị ngắt kết nối.

Khi quả cầu phao chìm xuống, các dây màu đen và xanh lam được kết nối với nhau trong khi dây màu đen và nâu bị ngắt kết nối.
BIỂU ĐỒ THỂ HIỆN CÀI ĐẶT PHAO VÀ BẢNG ĐIỀU KHIỂN
Ví dụ về kết nối thiết bị đầu cuối trong bảng điều khiển


Ảnh ví dụ về công tắc phao Hộp nối dây và ống nối dây
Hộp nối dây có thể được thiết lập khi bảng điều khiển ở xa nhà máy bơm. Có thể mua hộp đấu dây trực tiếp từ chúng tôi.
Ứng dụng theo công suất
Bơm ≤ 7,5kW: mức chất lỏng tối thiểu được đánh dấu tại vị trí stato ngập một nửa.
Bơm ≥ 11kW: có 2 mức chất lỏng tối thiểu, phụ thuộc vào việc có sử dụng hệ thống làm mát động cơ hay không.
Bơm chìm nước thải ebara không tắc nghẽn
Hộp nối dây và phụ kiện đi kèm
Trong trường hợp bảng điều khiển đặt xa trạm bơm, có thể sử dụng hộp nối dây hoặc ống nối dây. Yêu cầu kỹ thuật: đường kính ngoài của cáp phải nhỏ hơn đường kính trong của ống nối.
Ngoài ra, khách hàng có thể đặt thêm:
Cáp động cơ: thông thường dài 10m, có thể đặt theo kích thước khác.
Ống nối phụ, ống mềm, ống thép để lắp đặt theo tiêu chuẩn.
Phụ kiện khớp nối tự động, tấm đế cố định hoặc lắp đặt di động, tùy điều kiện thực tế và model bơm.
Khi sử dụng ống dây (do người dùng tự chuẩn bị), đường kính ngoài của cáp phải nhỏ hơn đường kính trong của ống. Vui lòng tham khảo đường kính ngoài của cáp trong biểu đồ sau.

Biểu đồ đường kính ngoài của cáp
Hướng dẫn đặt hàng
Khi đặt mua bảng điều khiển hoặc bơm chìm nước thải, khách hàng cần cung cấp đầy đủ thông số:
Số sê-ri máy bơm
Số lượng và loại cánh bơm
Vật liệu bộ phận tiếp xúc với chất lỏng
Chế độ lắp đặt (cố định, khớp nối tự động, di động)
Đường kính van xả
Công ty có thể cung cấp đầy đủ phụ kiện, linh kiện thay thế và bản vẽ kỹ thuật chi tiết để khách hàng dễ dàng lựa chọn phương án lắp đặt tối ưu.
Giới thiệu TOP bơm chìm nước thải tại công ty VIMEX
Bảng điều khiển đặc biệt cho bơm chìm nước thải đóng vai trò then chốt trong việc vận hành an toàn và bền bỉ. Kết hợp cùng công tắc phao, hệ thống có thể hoạt động tự động, ngăn ngừa sự cố, bảo vệ động cơ hiệu quả.
⇒ Để đảm bảo bơm chìm nước thải vận hành ổn định, an toàn, tuổi thọ cao, khách hàng nên sử dụng bảng điều khiển chính hãng, được thiết kế tương thích với bơm. Công ty TNHH Vimex hiện đang cung cấp đầy đủ bảng điều khiển, công tắc phao và phụ kiện đi kèm, sẵn sàng hỗ trợ kỹ thuật và tư vấn giải pháp tối ưu cho từng nhu cầu.